مصنوعات کی تفصیل
ایک چین سپروکیٹ پاور ٹرانسمیشن مشینری کا ایک لازمی جزو ہے۔ اسے رولر چین کے ذریعے ڈرائیونگ شافٹ سے چلنے والے شافٹ میں ٹارک منتقل کرنے کے لیے استعمال کیا جاتا ہے۔ یورپی اسٹینڈرڈ چین سپروکیٹس (12B 16B 20B) صنعت میں سب سے زیادہ استعمال ہونے والی طرزیں ہیں۔ 12B 16B 20B یورپی اسٹینڈرڈ چین سپروکٹس مختلف مواد میں دستیاب ہیں جیسے کہ 45 سٹیل، سٹینلیس سٹیل اور کاسٹ آئرن۔ 45 سٹیل سپروکٹس اپنی بہترین طاقت اور پائیداری کی وجہ سے سب سے زیادہ استعمال ہوتے ہیں۔ سٹینلیس سٹیل کے اسپراکیٹس اعلی سنکنرن اور اعلی درجہ حرارت کے حالات جیسے فوڈ اور بیوریج پروسیسنگ پلانٹس والے ماحول میں استعمال کے لیے موزوں ہیں۔ کاسٹ آئرن اسپراکیٹس بھاری بوجھ والے ایپلی کیشنز جیسے کنویئر سسٹمز کے لیے بہترین استعمال ہوتے ہیں۔
12B 16B 20B یورپی اسٹینڈرڈ چین سپروکیٹس کی مختلف اقسام ہیں جن میں سمپلیکس، ڈوپلیکس اور ٹرپلیکس شامل ہیں۔ سمپلیکس سپروکیٹس میں دانتوں کی صرف ایک قطار ہوتی ہے، اور وہ کم سے اعتدال پسند بوجھ والی ایپلی کیشنز میں استعمال ہوتے ہیں۔ ڈوپلیکس سپروکیٹس میں دانتوں کی دو قطاریں ہوتی ہیں، اور وہ زیادہ بوجھ والی ایپلی کیشنز میں استعمال ہوتے ہیں۔ Triplex sprockets میں دانتوں کی تین قطاریں ہوتی ہیں، اور وہ سب سے زیادہ بوجھ والی ایپلی کیشنز میں استعمال ہوتے ہیں۔

سمپلیکس

ڈوپلیکس

ٹرپلیکس
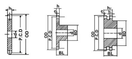
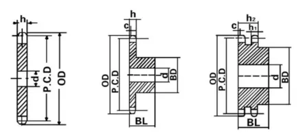
مصنوعات کے پیرامیٹرز
|
|
12B-1-2 | |||||||
| نوٹ | ملی میٹر | |||||||
| پچ | 19.05 | |||||||
| رولر Φ | 12.07 | |||||||
| h | 11.1 | |||||||
| h1 | 10.8 | |||||||
| h2 | 30.3 | |||||||
| ابعاد: ملی میٹر | ||||||||
| دانت | او ڈی | بور: ڈی | ٹائپ بی سمپلیکس | B Duplex ٹائپ کریں۔ | مواد | |||
| حب | حب | بور: ڈی | ||||||
| بی ڈی | بی ایل | بی ڈی | بی ایل | |||||
| 8 | 57.6 | 12 | 31 | 30 | 31 | 45 | 12 | C45 |
| 9 | 62.0 | 12 | 37 | 30 | 37 | 45 | 12 | |
| 10 | 69.0 | 12 | 42 | 30 | 42 | 45 | 12 | |
| 11 | 75.0 | 14 | 46 | 35 | 47 | 50 | 16 | |
| 20 | 129.7 | 16 | 80 | 35 | 100 | 50 | 20 | |
|
|
16B-1-2 | |||||||
| نوٹ | ملی میٹر | |||||||
| پچ | 25.4 | |||||||
| رولر Φ | 15.88 | |||||||
| h | 16.2 | |||||||
| h1 | 15.8 | |||||||
| h2 | 47.7 | |||||||
| ابعاد: ملی میٹر | ||||||||
| دانت | او ڈی | بور: ڈی | ٹائپ بی سمپلیکس | B Duplex ٹائپ کریں۔ | مواد | |||
| حب | حب | بور: ڈی | ||||||
| بی ڈی | بی ایل | بی ڈی | بی ایل | |||||
| 21 | 181.2 | 20 | 110 | 50 | 130 | 70 | 25 | C45 |
| 22 | 189.3 | 20 | 110 | 50 | 130 | 70 | 25 | |
| 23 | 197.5 | 20 | 110 | 50 | 130 | 70 | 25 | |
| 24 | 205.5 | 20 | 110 | 50 | 130 | 70 | 25 | |
| 25 | 213.5 | 20 | 110 | 50 | 130 | 70 | 25 | |
| 30 | 254.0 | 20 | 120 | 50 | 130 | 70 | 25 | |
|
|
20B-1-2 | |||||||
| نوٹ | ملی میٹر | |||||||
| پچ | 31.75 | |||||||
| رولر Φ | 19.05 | |||||||
| h | 18.5 | |||||||
| h1 | 18.2 | |||||||
| h2 | 54.6 | |||||||
| ابعاد: ملی میٹر | ||||||||
| دانت | او ڈی | بور: ڈی | ٹائپ بی سمپلیکس | B Duplex ٹائپ کریں۔ | مواد | |||
| حب | حب | بور: ڈی | ||||||
| بی ڈی | بی ایل | بی ڈی | بی ایل | |||||
| 31 | 329.0 | 25 | 150 | 55 | 150 | 80 | 25 | C45 |
| 32 | 339.1 | 25 | 150 | 55 | 150 | 80 | 25 | |
| 33 | 349.2 | 25 | 150 | 55 | 150 | 80 | 25 | |
| 34 | 359.3 | 25 | 150 | 55 | 150 | 80 | 25 | |
| 35 | 369.4 | 25 | 150 | 55 | 150 | 80 | 25 | |
| 95 | 975.2 | 30 | 168 | 93 | 200 | 116 | 40 | |
مصنوعات کی تصویر


ہماری فیکٹری

ورکشاپ

ورکشاپ

ورکشاپ

ورکشاپ
آخر میں، 12B 16B 20B یورپی اسٹینڈرڈ چین سپروکیٹ ورسٹائل اور قابل اعتماد جزو ہیں جو پاور ٹرانسمیشن مشینری میں استعمال ہوتے ہیں۔ مختلف مواد اور اقسام کے ساتھ، وہ مختلف ماحول اور ایپلی کیشنز میں استعمال کیا جا سکتا ہے. بہترین کارکردگی اور لمبی عمر حاصل کرنے کے لیے اپنی مخصوص ایپلی کیشن کے لیے صحیح سپروکیٹ کا انتخاب کرنا ضروری ہے۔
ڈاؤن لوڈ، اتارنا ٹیگ: 12b 16b 20b یورپی معیاری چین سپروکیٹ، چین، مینوفیکچررز، سپلائرز، فیکٹری







